-
sale
Recambios Marinos Power Trim Switch Assy Rec87-18286A43
$133.35$115.96 -
sale
Dometic Xtreme 4300Bc Cntrl Cbl 9' Ccx43009
$133.34$115.94 -
sale
Dometic Xtreme 3600 Merc Type Cbl 19' Ccx63019
$133.34$115.94 -
sale
Ahb Tooling Nonwvn Coarse 5Xnh Brown Nwacrse12700
$132.88$115.55 -
sale
3M Center 787C 4 1/2"X 7/8" 60G (25/Pk) 7100099287
$132.60$115.30 -
sale
Recambios Marinos Starter (Wsl) Ph130-0084
$132.58$115.29 -
sale
Recambios Marinos Trim Sender Rec34801-99E04
$132.38$115.11 -
sale
Michigan Wheel 10 3/8 X 13 A3R Prop 031048
$132.25$115.00 -
sale
Attwood Marine Trailer Jack_1500 Lb 11126-4
$132.19$114.95 -
sale
Recambios Marinos Top Cowling Paf6-06000001
$132.16$114.93 -
sale
Dometic J/E Power Pack (Wsl)
$132.06$114.83 -
sale
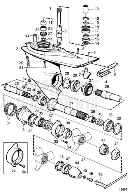
Volvo Penta Bearing 11044
$131.83$114.63